首页 > 新闻中心 > 江苏 > 苏州

今天起,坐地铁去上海有变化

来源: 苏州发布

2025-11-05 06:54:00

2025第八届中国国际进口博览会(上海进博会)将于11月5-10日在上海国家会展中心举办。为配合2025年上海进博会安全、顺利进行,苏州地铁根据公安部门有关规定,决定于11月4起至11月10日关闭3/11号线花桥站东西两端换乘连廊(含“Metro大都会、苏e行无感换乘专用通道”)。现场将按照公安部门要求及客流情况,采取限流、分流措施,请乘客根据指引有序从中部‍换乘连廊、站外广场进行换乘,给您带来不便敬请谅解!

具体调整如下:


乘客换乘通行变更

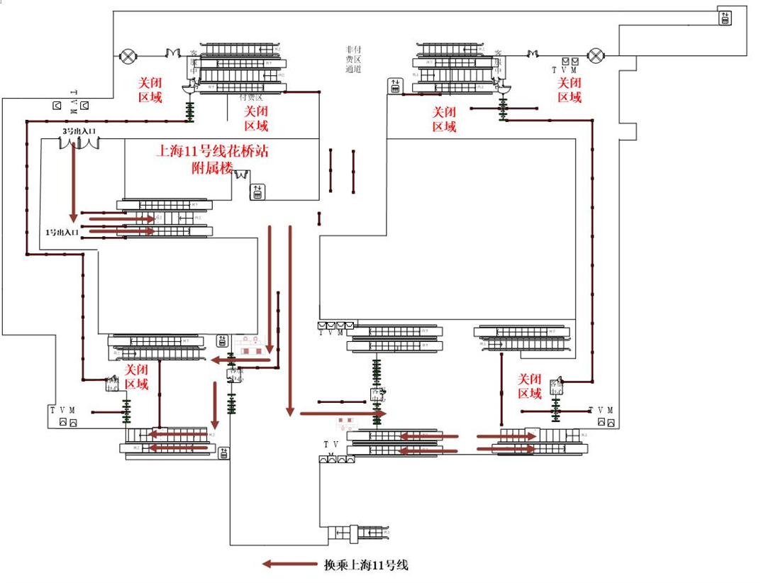
苏州3/11号线换乘上海11号线的乘客,现可采用如下两种方式:

方式一

通过出站闸机后,利用中部换乘连廊换乘。

方式二

通过出站闸机后,从3号口、4号口出站至上海花桥站1号口进站换乘。

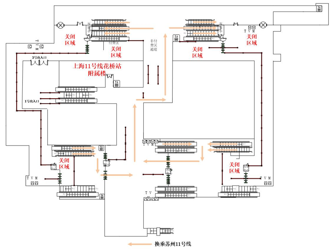
上海11号线换乘苏州地铁3/11号线的乘客,现可采用如下方式:

方式一

通过出站闸机后,

利用中部换乘连廊换乘。

方式二

通过出站闸机后,从1号口出站后至苏州花桥站3号口、4号口进站换乘。

注意:在此期间,使用“苏e行”APP或“Metro大都会”APP“无感换乘”服务的乘客在苏州/上海地铁花桥站也须通过检票闸机扫码进/出站;其他乘客仍按原方式进出通行。如遇问题,请与工作人员联系,感谢您的配合!

温馨提醒

苏州地铁提醒广大市民乘客,当车站实际客流较大时,车站将采取相应措施进行客流管控,如您乘坐苏州地铁遇到大客流等情况,请听从车站工作人员指引有序进站乘车,祝您乘车愉快!

来源:苏州地铁